Kaip cianidavimo įranga pagerina aukso atgavimą ir svetainės saugumą?

2026-01-08 - Palikite man žinutę

Jei kada nors jautėte, kad cianidavimas yra „veiksmingas, bet keliantis stresą“, jūs to neįsivaizduojate. Chemija veikia, tačiau kasdienė realybė gali būti netvarkinga: kintama rūda, perteklinis reagentas, anglies nuostoliai, netikėtos prastovos ir nuolatinis spaudimas veikti saugiai ir nuosekliai. Šiame straipsnyje paaiškinama, kasCianidavimo įrangaiš tikrųjų turėtų padaryti už jus, ko paklausti prieš perkant ir kaip išvengti brangiausių klaidų.


Abstraktus

ModernusCianidavimo įranganėra tik rezervuarų rinkinys – tai prijungta sistema, skirta kontroliuoti išplovimo sąlygas, stabilizuoti regeneraciją, sumažinti reagentų atliekas ir užtikrinti, kad cianido tvarkymas būtų nuspėjamas. Pirkėjai paprastai kovoja su keturiais skausmo taškais: nenuosekliu atsigavimu, didelėmis eksploatavimo sąnaudomis, silpna saugos kontrole ir priežiūros galvos skausmais. Žemiau rasite praktišką gamyklos grindų vaizdą apie cianidavimo modulius (išplovimą, adsorbciją, desorbciją / elektrinį išplovimą, detoksikaciją ir prietaisus), atrankos matricą, paleidimo patarimus ir DUK skyrių, kurį galite naudoti tiekėjų pokalbių metu.


Turinys


Trumpas kontūras

  • Išverskite „man reikia cianidavimo“ į visą, valdomą įrangos apimtį.
  • Nustatykite, kuris modulis lemia jūsų nuostolius (atkūrimas, reagentas, anglis ar prastovos).
  • Naudokite paprastą matricą, kad palygintumėte savo rūdos tipo ir apribojimų sprendimus.
  • Eikite į tiekėjų susitikimus su kontroliniu sąrašu, kuris greitai atskleidžia silpnus dizainus.

Tikrieji pirkėjo skausmo taškai

Kai žmonės perkaCianidavimo įranga, jie dažnai sako: „Man reikia didesnio atsigavimo“. Paprastai jie reiškia: „Man reikia atsigavimo, kuris išliks aukštas net tada, kai keičiasi rūda, keičiasi operatoriai, o svetainė yra nutolusi“. Štai skausmo taškai, kurie vėl ir vėl pasirodo:

  • Atsigavimo svyravimaidėl rūdos kintamumo, malimo problemų, deguonies apribojimų arba prastos pH kontrolės.
  • Reagento sąnaudų šliaužimasnuo cianido ar kalkių perdozavimo „kad būtų saugu“.
  • Anglies problemospvz., užsiteršimas, dilimo praradimas arba prasta adsorbcijos kinetika.
  • Prastovadėl siurblio / vožtuvo gedimų, abrazyvinių srutų susidėvėjimo arba sunkiai prieinamų išdėstymų.
  • Saugumo įtampaapie cianido saugojimą, dozavimą ir pasirengimą reaguoti į avarines situacijas.

Geras įrangos dizainas nepašalina viso sudėtingumo, bet turėtų pašalinti spėliones.


Kas apima „cianidavimo įrangą“.

Cyaniding Equipment

Mažiausiai,Cianidavimo įrangaturėtų būti suprantama kaip sistema, kuri palaiko šias funkcijas:

  • Išplovimas: suteikite laiko, maišymo ir chemijos kontrolę tirpimui.
  • Aukso gaudymas: adsorbcija ant aktyvuotos anglies (CIP/CIL) arba nusodinimo keliai.
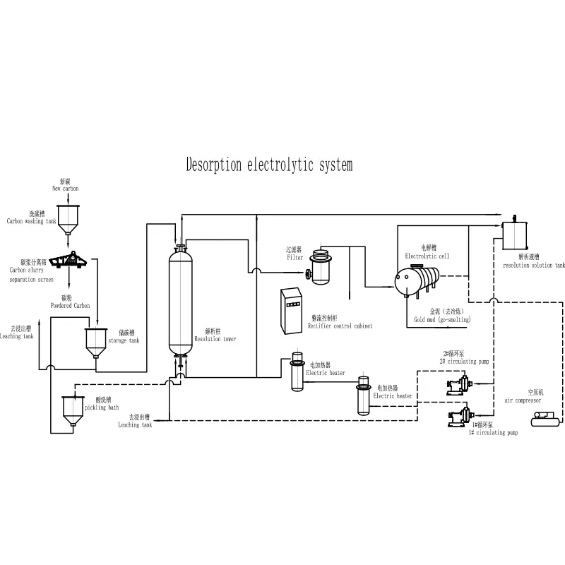
  • Aukso atkūrimas: desorbcija ir elektromagnetinis šildymas (arba alternatyvios regeneravimo grandinės).
  • Detox ir atliekų tvarkymas: sumažinti cianido likutį iki priimtino lygio.
  • Prietaisai ir valdymas: išmatuokite ir stabilizuokite pH, ištirpusį deguonį, srautą ir dozavimą.

Jei tiekėjas kalba tik apie „cisternas“, stumkite juos, kad nustatytų visą srautą ir valdymo taškus. Cianidacija yra atlaidi laboratorinėmis sąlygomis; jis neatlaidus chaotiškomis lauko sąlygomis.


Aiškus proceso žemėlapis nuo Ore iki Doré

Nors kiekvienas augalas skiriasi, dauguma cianidavimo būdų eina pagal atpažįstamą stuburą. Naudokite šį žemėlapį, kad patikrintumėte, ar siūlomas paketas yra baigtas:

Scena Ką ji turi pasiekti Tipiška „paslėpta“ rizika
Išankstinis apdorojimas (jei reikia) Padarykite auksą prieinamą ir išvengsite cianido suvartojimo šuolių Ignoruojant preg-robbing, daug vario ar reaktyvių sulfidų
Išplovimas Stabilus maišymas, kontroliuojamas pH ir pakankamai deguonies Negyvos zonos, prastas deguonies perdavimas, nestabilus pH dėl silpnos kalkių sistemos
Adsorbcija (CIL/CIP) Efektyviai gaudykite ištirpusį auksą Netinkamas anglies dydis/perkėlimo būdas; anglies nuostoliai
Eliucija / desorbcija Patikimai nuvalykite auksą nuo anglies Nenuoseklus šildymas / srautas sumažina pašalinimo efektyvumą
Elektrolizavimas / Lydymas Atsigaukite ir pagaminkite doré Nepakankamo dydžio elementai, prastas elektrolitų valdymas, dumblo tvarkymo problemos
Detox Sumažinkite cianido likutį prieš išleidžiant / išleidžiant šiukšles Dizainas neatitinka pralaidumo kintamumo ar atliekų chemijos

Pagrindiniai moduliai ir ką patikrinti

1) Išplovimo rezervuarai ir maišymas

  • Ar maišymo konstrukcija tinka jūsų srutų tankiui ir abrazyvumui?
  • Ar sistema gali išlaikyti stabilų pH esant rūdos kintamumui?
  • Ar deguonies papildymas jūsų svetainėje yra praktiškas (ir ar projektuojant atsižvelgiama į deguonies perdavimą)?
  • Ar išdėstymas leidžia lengvai patikrinti sparnuotės, įdėklus ir guolius?

2) Anglies adsorbcija ir pernešimas

  • Ar tarppakopiniai ekranai yra pakankamai tvirti, kad išvengtų anglies pernešimo?
  • Ar anglies pernešimas sukurtas taip, kad sumažintų lūžimą ir nuostolius?
  • Ar dizainas yra palankus valymui ir anglies atsargų kontrolei?

3) Desorbcija ir elektrinis kaitinimas

  • Ar eliuavimo grandinė atitinka jūsų anglies įkrovos lūkesčius?
  • Ar šildymo ir srauto valdikliai stabilūs (nepriklauso nuo operatoriaus)?
  • Ar dumblo tvarkymas planuojamas, o ne improvizuotas?

4) Cianido dozavimas ir matavimas

  • Ar dozavimas automatizuotas su užraktais, ar tik rankinis?
  • Koks yra kalibravimo ir jutiklių priežiūros planas tikroje kasykloje?
  • Ar mėginių ėmimo taškai yra saugūs ir gerai išdėstyti, ar negalvota?

5) Detox

  • Ar detoksikacijos dizainas pagrįstas jūsų išmetimo tikslais ir atliekų chemija?
  • Ar jis gali atlaikyti trumpalaikius šuolius nepriversdamas išjungti?

Praktinis patarimas:Pasiūlymas, kuris popieriuje atrodo pigesnis, dažnai padidina operacijų sąnaudas – papildomo cianido, papildomų kalkių, papildomos priežiūros darbų ir „didvyriškesnio“ operatoriaus elgesio. Sąskaita ateina vėliau.


Dydžių ir specifikacijų pagrindai

Jums nereikia būti metalurgu, kad galėtumėte užduoti klausimus dėl dydžio, kurie apsaugo jūsų biudžetą. UžCianidavimo įranga, branduolio dydžio nustatymo logika sukasi apie pralaidumą, buvimo laiką ir masės perdavimą. Prieš priimdami bet kokį galutinį dizainą, įsitikinkite, kad šie įvesties duomenys yra aiškiai nurodyti:

  • Dizaino pralaidumas(vidurkis ir pikas, plius numatomas sezoninis kintamumas).
  • Tikslinis malimo dydiso kas atsitiks, jei malūnas dreifuoja stambiau.
  • Išplovimo buvimo laikasir ar jis pagrįstas testais ar prielaidomis.
  • pH ir šarmingumo planas(įskaitant kalkių paruošimą ir dozavimo stabilumą).
  • Deguonies strategija(oras, deguonis arba jo nėra) ir numatomą poveikį kinetikai.
  • Anglies inventorius(kiek anglies, kur ji yra ir kaip ji stebima).

Jei tiekėjas negali paaiškinti jų paprasta kalba, laikykite tai rizikos signalu, o ne techniniu aspektu.


Saugumas ir cianido kontrolė, kuri iš tikrųjų atsilaiko

Saugumas nėra plakatas ant sienos. Naudojant cianidavimą, jis integruotas į fizinį dizainą ir įprastą valdymą. StiprusCianidavimo įrangaĮ paketus paprastai įeina:

  • Sandėliavimas ir perdavimassu aiškiais išsiliejimo keliais ir susiejimo logika.
  • Užblokuotas dozavimastodėl cianido negalima dėti, kai nesilaikoma pagrindinių sąlygų.
  • Aiškus mėginių ėmimo dizainaskuris sumažina poveikio riziką įprastų patikrinimų metu.
  • Avarinė parengtiskaip darbo procedūrų rinkinio dalis, o ne papildomas dokumentas.

Žvelgiant iš pirkėjo perspektyvos, jūsų darbas paprastas: priverskite pasiūlymą tiksliai parodyti, kaip žmonės sąveikauja su sistema. Kur jie stovi? Ką jie liečia? Kaip jie izoliuoja įrangą? Kaip jie reaguoja į siurblio sandariklio gedimą 2 val.


Iš kur iš tikrųjų kyla veiklos sąnaudos

Jei jūsų kaina už unciją didėja, tai paprastai nėra vienas dramatiškas gedimas – tai nedideli sistemos nutekėjimai. Dažniausi sąnaudų veiksniai cianidavimo srityje yra šie:

  • Cianido suvartojimasdėl reaktyvių mineralų, perdozavimo įpročių ar prastų kontrolės kilpų.
  • Kalkių suvartojimaskai pH kontrolė nestabili arba srutų chemija nėra gerai suprantama.
  • Anglies nuostoliaidėl nusidėvėjimo, ekrano problemų arba prasto perdavimo dizaino.
  • Galia ir priežiūradėl per didelio maišymo, nepakankamai suprojektuotų susidėvėjusių dalių ir sunkiai prižiūrimų išdėstymų.
Simptomas Tikėtina pagrindinė priežastis Įrangos funkcija, kuri padeda
Atsigavimas sumažėja, kai keičiasi rūda pH/DO nestabilumas; prastas maišymas; nepakankamas buvimo laikas Tvirtas maišymas, geresnė valdymo įranga, lanksti bako talpa
Cianido sąnaudos nuolat didėja Perdozavimas; daug cianido sunaudojantys mineralai; prastas matavimas Kontroliuojamas dozavimas, patikimi mėginių ėmimo taškai, išmanesni blokai
Anglies atsargos „paslaptingai“ mažėja Ekrano gedimai; perdavimo nuostoliai; nusidėvėjimas Patvarūs tarppakopiniai ekranai, švelnus perdavimo dizainas, aiški anglies apskaita
Dažni išjungimai Susidėvėjusios dalys, siurblio sandarinimas, prieigos problemos Dėvėjimui atsparios medžiagos, prieiga prie priežiūros, standartizuotos atsarginės dalys

Patikimumas ir techninės priežiūros dizainas

Cyaniding Equipment

Cianidavimo grandinė gali atrodyti „užbaigta“ ir vis tiek būti nepatikima, jei techninė priežiūra nebuvo suplanuota. Paklauskite tiekėjo, kaip elgiasi:

  • Medžiagų pasirinkimasabrazyvinių srutų zonoms ir cianido sąlyčio zonoms.
  • Prieigaekranams, sparnuotėms, įdėklams, siurbliams ir prietaisams.
  • Atsarginių dalių strategijakuri atitinka jūsų svetainės realybę (įvykdymo laikas, logistika, atsargos).
  • Standartizavimassumažinti unikalių dėvimų daiktų skaičių.

Atliekant nuotolines operacijas, „lengva prižiūrėti“ gali būti verta daugiau nei „šiek tiek efektyvesnė popieriuje“.


Tiekėjo klausimai, kuriuos turėtumėte užduoti

Naudokite šį kontrolinį sąrašą susitikimuose. Jis skirtas greitai pateikti silpnus pasiūlymus, nepaverčiant pokalbio diskusijomis.

  • Kurios rūdos rizikos yra prisiimamos, o kurios yra aktyviai sukurtos?
  • Kokie yra buvimo laiko, pH diapazono ir deguonies strategijos projektiniai įėjimai?
  • Kaip kontroliuojamas cianido dozavimas ir kas nutinka jutiklio gedimo metu?
  • Kaip užkertamas kelias anglies dioksido nuostoliams ir kaip jis matuojamas atliekant įprastines operacijas?
  • Koks yra ekranų, maišytuvų ir siurblių priežiūros prieigos planas?
  • Kokie yra rekomenduojami operatoriaus patikrinimai per pamainą ir kaip jie yra saugūs?
  • Kokia pagalba paleidžiant eksploataciją yra įtraukta ir koks operatoriaus mokymas?

Jei vertinate pardavėjus, gali padėti pasikalbėti su gamintoju, kuris gali pateikti visą cianidavimo paketą ir pateikti išsamią integravimo informaciją. Pavyzdžiui, Qingdao EPIC Mining Machinery Co., Ltd.teikia kasybos apdorojimo įrangos sprendimus, kuriuose cianidavimo paketai laikomi sistemomis – išplovimu, adsorbcija, regeneravimu ir kontrole – o ne atjungtu rezervuarų rinkiniu.


DUK

Dėl ko cianidavimo įranga yra „moderni“, o ne paprasta?

Šiuolaikinės konstrukcijos orientuotos į valdomumą ir pakartojamumą: stabilus dozavimas, patikimi matavimai, saugesnis mėginių ėmimas, tvirta apsauga nuo nusidėvėjimo ir išdėstymas, mažinantis operatoriaus improvizaciją. Tikslas yra nuoseklus regeneravimas, naudojant mažiau reagentų atliekų ir mažiau išjungimų.

Ar cianidavimo įranga gali ekonomiškai tvarkyti žemos kokybės rūdą?

Galima, bet tik tada, kai grandinė sukurta atsižvelgiant į jūsų kinetiką ir vartojimo profilį. Žemos kokybės operacijos paprastai yra jautrios reagento pertekliui ir prastovoms, todėl valdymo sistemos, susidėvėjimo dizainas ir anglies dioksido valdymas tampa ypač svarbūs.

Kaip sužinoti, ar man reikia CIP ar CIL?

Pasirinkimas dažniausiai priklauso nuo išplovimo kinetikos ir nuo to, kaip greitai ištirpęs auksas turi būti surinktas. Jei auksas greitai ištirpsta ir norite nedelsiant užfiksuoti, CIL gali būti patrauklus. Jei išplovimui naudingas atskyrimas prieš adsorbciją, CIP gali tikti geriau. Metalurginiai bandymai ir praktiniai vietos apribojimai turėtų paskatinti sprendimą.

Kodėl kartais staiga padidėja cianido suvartojimas?

Dažniausios priežastys yra rūdos mineralų pokyčiai, prasta pH kontrolė, netikėtas deguonies apribojimas arba proceso vandens užterštumas. Geras kontrolės planas ir patikimi mėginių ėmimo taškai leidžia lengviau diagnozuoti ir greitai ištaisyti šiuos šuolius.

Kam turėčiau teikti pirmenybę, jei mano svetainė yra nutolusi ir jai trūksta darbuotojų?

Pirmenybę teikite techninei priežiūrai ir automatizavimui, kuris sumažina naudojimą rankiniu būdu: patvarūs ekranai, prieinamas įrangos išdėstymas, standartizuotos atsarginės dalys, blokuotas dozavimas ir aiški darbo tvarka, kuri nepriklauso nuo „vieno eksperto operatoriaus“.


Užbaigimas

PirkimasCianidavimo įrangagaliausiai yra neapibrėžtumo mažinimas. Chemija gali būti įrodyta, tačiau jūsų pelningumas priklauso nuo nuoseklios kontrolės, praktinės priežiūros ir saugos, kuri dirba tikromis pamainomis su tikrais žmonėmis. Jei planuojate naują gamyklą arba atnaujinate esamą grandinę, įtraukite savo rūdos realijas, našumo tikslus ir vietos apribojimus ir reikalaukite pasiūlymo, kuriame cianidavimas būtų traktuojamas kaip visa, kontroliuojama sistema.

Pasiruošę savo cianidavimo planą paversti patikima, ekonomiška veikla?Pasidalykite savo rūdos rūšimi, tiksliniu pajėgumu, vietos sąlygomis irsusisiekite su mumisaptarti praktinę įrangos konfigūraciją, kuri tinka jūsų gamyklai ir operatoriams.

Siųsti užklausą

X
Naudojame slapukus siekdami pasiūlyti geresnę naršymo patirtį, analizuoti svetainės srautą ir suasmeninti turinį. Naudodamiesi šia svetaine sutinkate su mūsų slapukų naudojimu. Privatumo politika