English
Español
Português
русский
Français
日本語
Deutsch
tiếng Việt
Italiano
Nederlands
ภาษาไทย
Polski
한국어
Svenska
magyar
Malay
বাংলা ভাষার
Dansk
Suomi
हिन्दी
Pilipino
Türkçe
Gaeilge
العربية
Indonesia
Norsk
تمل
český
ελληνικά
український
Javanese
فارسی
தமிழ்
తెలుగు
नेपाली
Burmese
български
ລາວ
Latine
Қазақша
Euskal
Azərbaycan
Slovenský jazyk
Македонски
Lietuvos
Eesti Keel
Română
Slovenski
मराठी
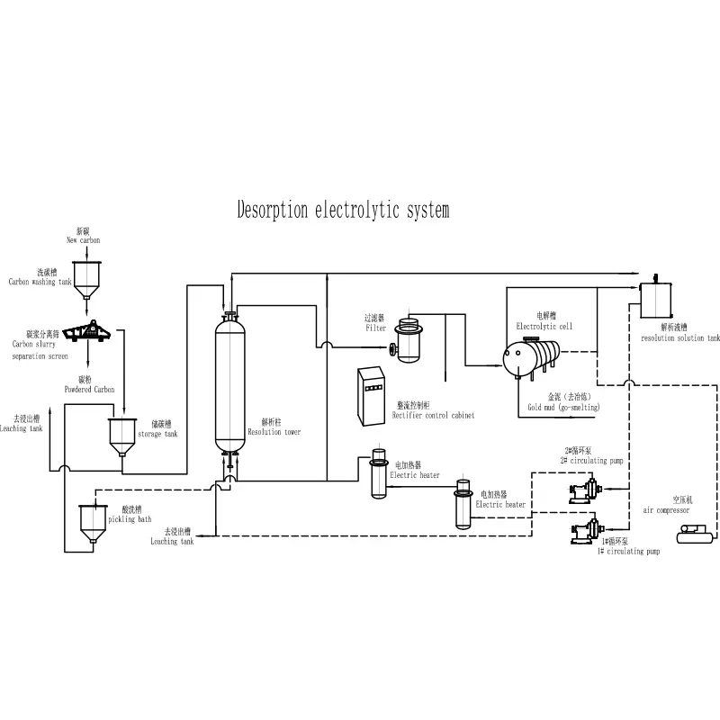
Srpski језик Desorbcinė elektrolitinė sistema yra labai svarbi šiuolaikinio aukso gavybos technologija, ypač anglies masės (CIP) ir anglies išplovimo (CIL) procesuose. Šiame tinklaraštyje nagrinėjama, kaip sistema veikia, jos komponentai, pranašumai ir kodėl ji tapo efektyvaus aukso atgavimo standartu. Taip pat ......
Skaityti daugiauPovandeninis spiralinis klasifikatorius yra gyvybiškai svarbus mineralų apdorojimo komponentas, kuris pagerina dalelių atskyrimą ir klasifikavimą įvairiose pramonės šakose. Šiame straipsnyje mes išnagrinėsime panardinamų spiralinių klasifikatorių funkcijas, pranašumus ir pritaikymą, taip pat kaip EP......
Skaityti daugiauIšplovimo maišymo rezervuarai yra esminė įranga kasybos pramonėje, ypač vertingiems metalams išgauti iš rūdų išplovimo procesais. Šiame tinklaraštyje mes išnagrinėsime kasybos pramonėje naudojamų išplovimo maišymo bakų svarbą, veikimo principą ir įvairius tipus.
Skaityti daugiauPovandeninis spiralinis klasifikatorius yra svarbi mineralų apdirbimo įranga, skirta atskirti daleles pagal dydį ir tankį gravitacijos sedimentacijos ir mechaninio judėjimo būdu. Plačiai naudojama kasybos, smėlio plovimo ir pramoninio klasifikavimo sistemose, ši mašina užtikrina tikslų dalelių klasi......
Skaityti daugiauCircular High Rate Inlined Plate Thickener (CHRIPT) yra gyvybiškai svarbi įranga, naudojama kasybos ir mineralų perdirbimo pramonėje. Šis tirštiklis, žinomas dėl savo gebėjimo efektyviai atskirti kietąsias medžiagas nuo skysčių, yra labai svarbus tokiose pramonės šakose kaip nuotekų valymas, mineral......
Skaityti daugiauCilindrinės putos plūduriavimo elementas sukelia revoliuciją mineralų apdirbime dėl optimizuoto dizaino, padidinto regeneravimo greičio ir efektyvaus energijos vartojimo. Šiame išsamiame vadove nagrinėjama, kuo cilindrinės flotacinės ląstelės skiriasi nuo tradicinių modelių, jų veikimo principai, pr......
Skaityti daugiau