English
Español
Português
русский
Français
日本語
Deutsch
tiếng Việt
Italiano
Nederlands
ภาษาไทย
Polski
한국어
Svenska
magyar
Malay
বাংলা ভাষার
Dansk
Suomi
हिन्दी
Pilipino
Türkçe
Gaeilge
العربية
Indonesia
Norsk
تمل
český
ελληνικά
український
Javanese
فارسی
தமிழ்
తెలుగు
नेपाली
Burmese
български
ລາວ
Latine
Қазақша
Euskal
Azərbaycan
Slovenský jazyk
Македонски
Lietuvos
Eesti Keel
Română
Slovenski
मराठी
Srpski језик Šiuolaikinio mineralų apdorojimo metu norint optimizuoti rūdos sodrinimą ir sumažinti energijos suvartojimą, labai svarbu pasiekti aukštą efektyvumo klasifikaciją. Spiraliniai klasifikatoriai pasirodė kaip patikimas sprendimas atskirti smulkias daleles nuo stambių medžiagų atliekant šlapio šlifavimo......
Skaityti daugiauSpiralinis klasifikatorius yra nepakeičiama įranga, plačiai naudojama kasybos, metalurgijos, chemijos ir mineralų apdirbimo pramonėje. Jis atlieka lemiamą vaidmenį klasifikuojant, atskiriant ir nusausinant smulkias medžiagas pagal dalelių dydį ir savitąjį svorį. Dėl spiralinės konstrukcijos ir mecha......
Skaityti daugiauSmėlio skalbimo mašina yra kritinė įranga, plačiai naudojama kasybos, karjerų ir statybų pramonėje. Tai padeda pašalinti priemaišas, tokias kaip dumblas, dulkės ir molis iš smėlio ir žvyro, užtikrinant švaresnį ir aukštesnės kokybės galutinį produktą. Principas yra paprastas, tačiau efektyvus: derin......
Skaityti daugiauGeležies pašalinimas vaidina lemiamą vaidmenį užtikrinant švarų vandenį ir efektyvų mineralų perdirbimą įvairiose pramonės šakose. Šiame straipsnyje nagrinėjama geležies pašalinimo įrangos mokslas, dizainas ir nauda, paaiškinimas, kaip jis veikia, kodėl jis yra svarbus, ir kas daro „Qingdao Epic M......
Skaityti daugiauŠiuolaikinėse pramoninėse operacijose medžiagų tvarkymo efektyvumas vaidina svarbų vaidmenį produktyvume ir išlaidų valdyme. Pervežimo įranga tapo kertiniu gamyklų, kasybos ir birių medžiagų tvarkymo sektoriais akmeniu. Kaip tas, kuris glaudžiai bendradarbiavo su gamybos linijomis, dažnai klausiu sa......
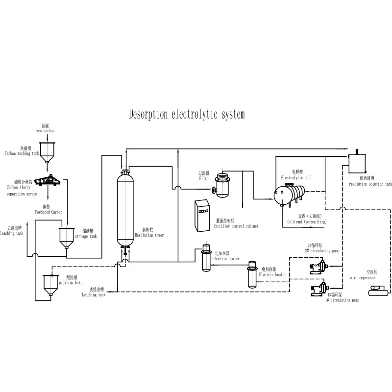
Skaityti daugiauCianidingo įranga tapo nepakeičiamu sprendimu kasybos ir metalurgijos pramonės šakose dėl jos efektyvumo, ilgaamžiškumo ir gebėjimo maksimaliai padidinti vertingų metalų atsigavimą. Šiandieninėje labai konkurencingoje rinkoje įmonės nuolat ieško patikimų sprendimų, kurie sumažina išlaidas ir gerina ......
Skaityti daugiau