Desorbcijos elektrolitinė sistema
  • Desorbcijos elektrolitinė sistema Desorbcijos elektrolitinė sistema

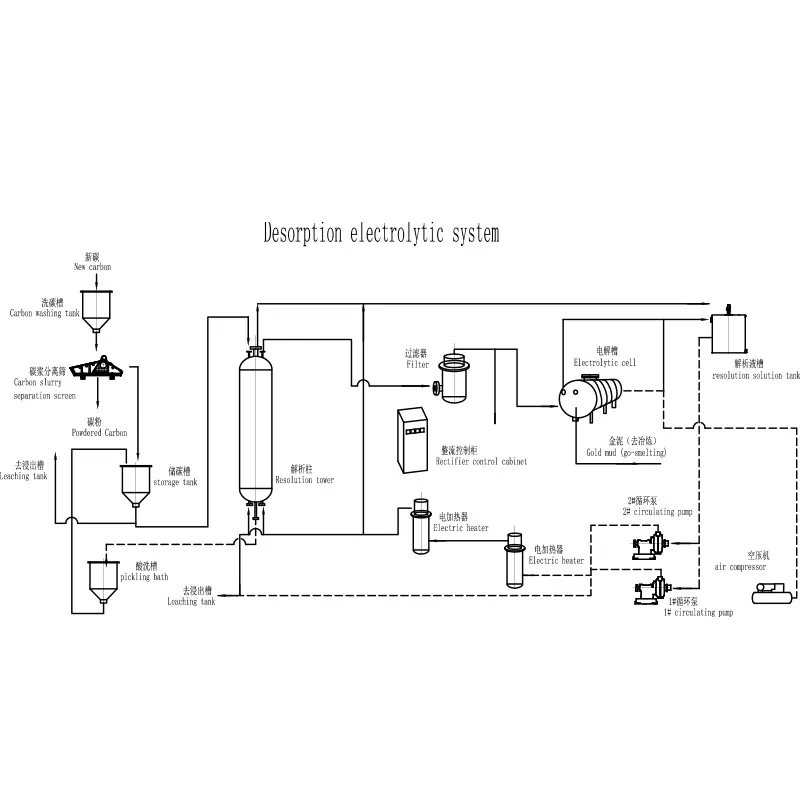
Desorbcijos elektrolitinė sistema

Kaip vienas profesionalių gamintojų, „Epic“ norėtų pateikti aukštos kokybės desorbcijos elektrolitinę sistemą. Ir mes jums pasiūlysime geriausią paslaugą po pardavimo ir laiku pristatymo.

Siųsti užklausą

Prekės aprašymas

Būdamas įgudęs gamintojas, „Epic“ siekia pasiūlyti aukščiausios kokybės desorbcijos elektrolitinę sistemą. Pažadame suteikti jums geriausią palaikymą po pardavimo ir greitą pristatymą. In adding more easly by activated carbon adsorption desorption system of anion, thus the Au(CN)2"replacement, realize the desorption of gold. The liquid obtained by desorption of gold-loaded carbon is recovered by ionization to obtain solid gold. Equipment characteriatios

1, aukšta temperatūra, aukštas slėgis, be cianido, desorbcijos automatinė kontrolė, su dideliu elficitu, lanko suvartojimu, greita

charakteristikos: 

A. Aukštas efektyvumas: Kai aukso pakrautos anglies laipsnis siekia 3000 g/t, desorbcijos greitis gali siekti daugiau nei 96%, o prastą anglies laipsnį galima sumažinti 3–4 kartus, palyginti su įprastu desorbcijos elektrolitiniu desorbcijos elektrolitiniu elektrolitiniu.

Įrenginys:

B.Fastas: desorbcijos elektrolizės temperatūra gali būti net 150 ℃ (30–55 ℃ aukštesnė nei kitų modelių) sistemos darbinis slėgis iki 0,5MPa (0,2–0,5MPa didesnis nei kitų modelių), todėl desorbcijos elektrolizės laikas yra labai greitas, paprastai 12 val. 

3 kartus: C.Low suvartojimas: Desorbcijos elektrolitinė temperatūra yra ta pati, dėl greito darbo nėra šilumos perdavimo, taigi bendras įprastinės sistemos energijos suvartojimas yra 1/2-1/4.

2. Nėra cianido: desorbcijos tirpalui nereikia pridėti natrio cianido, mažos išlaidos, nėra taršos:

3, aukštos kokybės aukso purvas, nereikia pakeisti elektrolizės, lengvai ištraukti;

4, automatinis valdymas: specialiai nustatykite skysčio lygio valdymo sistemą, temperatūros valdymo sistemą ir automatinę valdymo sistemą;

5, Sauga: naudojant trigubas apsaugos apsaugos nuo saugos priemones, būtent pati sistema intelektuali, autoratinis slėgis, ribojantis slėgio išleidimo mechanizmą, draudimo apsaugos vožtuvas.

Hot Tags: Desorbcijos elektrolitinė sistema
Siųsti užklausą
Nedvejodami pateikite savo užklausą žemiau esančioje formoje. Mes jums atsakysime per 24 valandas.
X
Naudojame slapukus siekdami pasiūlyti geresnę naršymo patirtį, analizuoti svetainės srautą ir suasmeninti turinį. Naudodamiesi šia svetaine sutinkate su mūsų slapukų naudojimu. Privatumo politika