Kas yra desorbcinė elektrolitinė sistema ir kodėl ji būtina šiuolaikinei aukso gavybai

2026-04-21 - Palikite man žinutę

TheDesorbcinė elektrolitinė sistemayra itin svarbi šiuolaikinio aukso gavybos technologija, ypač anglies įspaudoje (CIP) ir anglies išplovimo (CIL) procesuose. Šiame tinklaraštyje nagrinėjama, kaip sistema veikia, jos komponentai, pranašumai ir kodėl ji tapo efektyvaus aukso atgavimo standartu. Taip pat pabrėžiame, kaip įmonėms patinkaEPICskatina naujoves šioje srityje. Pabaigoje turėsite išsamų supratimą, kaip ši sistema padidina našumą, sumažina išlaidas ir pagerina atkūrimo rodiklius.

Desorption Electrolytic System

Turinys


Kas yra desorbcinė elektrolitinė sistema

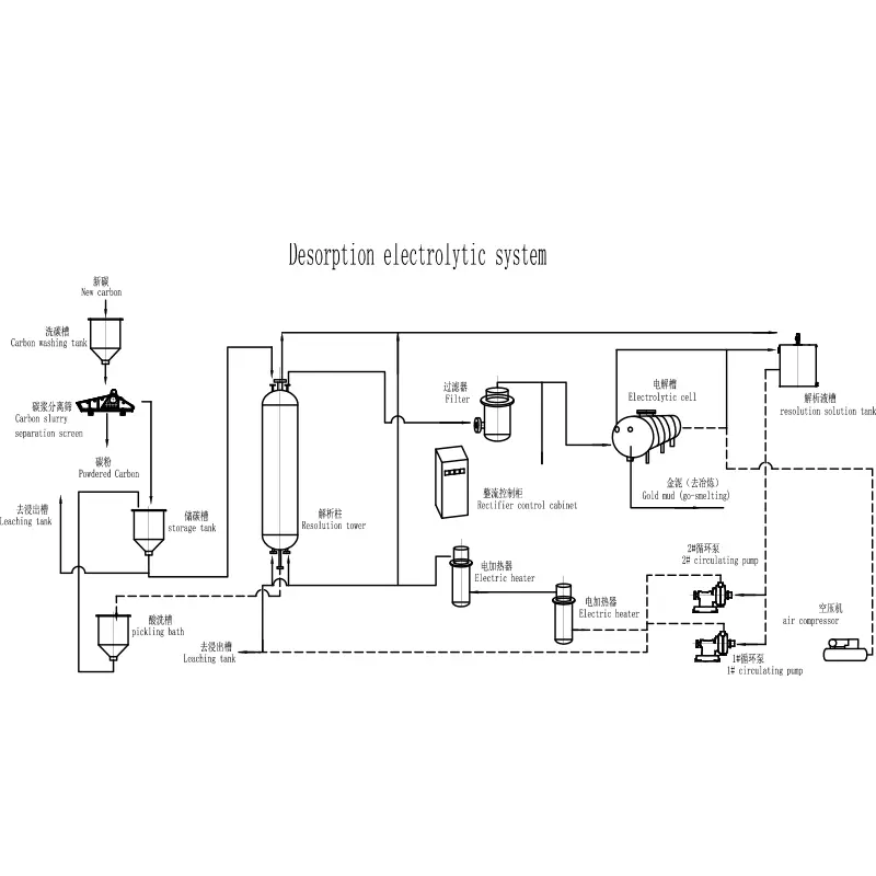
A Desorbcinė elektrolitinė sistemayra pažangi aukso atgavimo sistema, naudojama auksui išgauti iš aktyvuotos anglies. Jis plačiai taikomas kasybos operacijose, kuriose auksas absorbuojamas į anglies daleles išplovimo proceso metu.

  • Desorbcija: pašalina auksą iš anglies naudojant aukštos temperatūros ir aukšto slėgio tirpalus
  • Elektrolizė: atkuria auksą iš tirpalo ant katodų
  • Uždarojo ciklo sistema: užtikrina efektyvumą ir minimalius nuostolius

Ši sistema yra būtina siekiant pagerinti regeneravimo efektyvumą ir sumažinti veiklos sąnaudas, todėl ji yra pagrindinė šiuolaikinių aukso perdirbimo gamyklų sudedamoji dalis.


Kaip veikia desorbcinė elektrolitinė sistema

Darbo principas aDesorbcinė elektrolitinė sistemaapima du pagrindinius etapus:

  1. Desorbcijos etapas:Aukso pakrauta anglis apdorojama karštu šarminio cianido tirpalu, išskiriant aukso jonus.
  2. Elektrolizės etapas:Aukso turtingas tirpalas praeina per elektrolitinį elementą, kuriame auksas nusėda ant plieno vatos katodų.

Procesas užtikrina aukštą efektyvumą ir leidžia nuolat veikti, todėl įmonių sistemos mėgstaEPICyra plačiai naudojami pramonėje.


Pagrindiniai sistemos komponentai

Komponentas Funkcija
Desorbcijos kolonėlė Sulaiko aktyvuotą anglį ir palengvina aukso pašalinimą
Elektrolitinė ląstelė Atkuria auksą elektrolizės būdu
Šilumokaitis Palaiko reikiamą temperatūrą
Filtravimo sistema Iš tirpalo pašalina nešvarumus
Valdymo sistema Automatizuoja darbą ir stebi parametrus

Kiekvienas komponentas atlieka gyvybiškai svarbų vaidmenį užtikrinant, kad sistema veiktų efektyviai ir nuosekliai.


Techniniai pranašumai ir savybės

  • Aukštas aukso atkūrimo rodiklis (iki 98%)
  • Mažas energijos suvartojimas
  • Automatizuotas veikimas sumažina darbo sąnaudas
  • Kompaktiškas dizainas, užtikrinantis erdvės efektyvumą
  • Aplinkai nekenksmingas su minimaliomis emisijomis

Gamintojai mėgstaEPICnuolat optimizuoti šias sistemas, kad atitiktų besikeičiančius pramonės poreikius, užtikrinant geresnį našumą ir patikimumą.


Aukso apdorojimo programos

TheDesorbcinė elektrolitinė sistemayra plačiai naudojamas:

  • Aukso kasybos augalai
  • CIP (anglies į celiuliozę) operacijos
  • CIL (Carbon-in-Leach) procesai
  • Aukso liekanų atkūrimas

Dėl savo universalumo jis tinka tiek didelio masto pramoninei kasybai, tiek mažesnėms operacijoms, siekiant pagerinti efektyvumą.


Palyginimas su tradiciniais metodais

Funkcija Desorbcinė elektrolitinė sistema Tradiciniai metodai
Efektyvumas Aukštas Vidutinis
Automatika Visiškai automatizuota Rankinis arba pusiau automatinis
Kaina Mažesnės ilgalaikės išlaidos Didesnės veiklos sąnaudos
Poveikis aplinkai Žemas Aukščiau

Akivaizdu, kad šiuolaikinė sistema suteikia didelių pranašumų prieš tradicinius aukso atgavimo būdus.


Pasirinkimo vadovas pirkėjams

Renkantis aDesorbcinė elektrolitinė sistema, atsižvelkite į šiuos veiksnius:

  • Apdorojimo pajėgumas
  • Automatikos lygis
  • Energijos efektyvumas
  • Gamintojo reputacija (pvz., EPIC)
  • Pagalba po pardavimo

Tinkamos sistemos pasirinkimas užtikrina ilgalaikę veiklos sėkmę ir maksimalią investicijų grąžą.


Priežiūros ir eksploatavimo patarimai

  • Reguliariai tikrinkite vamzdynus ir vožtuvus
  • Stebėkite temperatūros ir slėgio lygį
  • Reguliariai valykite elektrolitinius elementus
  • Nedelsdami pakeiskite susidėvėjusius komponentus
  • Griežtai laikykitės gamintojo nurodymų

Tinkama priežiūra žymiai pailgina sistemos tarnavimo laiką ir užtikrina pastovų veikimą.


DUK

1. Koks yra pagrindinis desorbcinės elektrolitinės sistemos tikslas?

Jo pagrindinis tikslas – efektyviai išgauti ir išgauti auksą iš aktyvintos anglies.

2. Kiek efektyvi sistema?

Daugumos sistemų aukso atkūrimo rodiklis viršija 95%, priklausomai nuo veikimo sąlygų.

3. Ar sistema nekenkia aplinkai?

Taip, šiuolaikinės sistemos sukurtos taip, kad sumažintų išmetamų teršalų kiekį ir sumažintų cheminių atliekų kiekį.

4. Ar galima pritaikyti?

Taip, tokios įmonės kaip EPIC siūlo pritaikomus sprendimus, pagrįstus apdorojimo reikalavimais.

5. Kokios pramonės šakos naudoja šią sistemą?

Visų pirma aukso kasybos pramonėje, bet taip pat ir tauriųjų metalų atgavimo srityse.


Išvada

TheDesorbcinė elektrolitinė sistemayra aukso atgavimo technologijos proveržis, siūlantis neprilygstamą efektyvumą, patikimumą ir aplinkosauginį veiksmingumą. Su nuolatiniais pramonės lyderių, pvz.,EPIC, ši sistema tampa vis svarbesnė šiuolaikinėms kasybos operacijoms. Jei norite optimizuoti aukso gavybos procesą ir padidinti pelningumą, investuoti į aukštos kokybės sistemą yra protingas pasirinkimas.Susisiekite su mumisšiandien ir sužinoti daugiau apie tai, kaip galime pasiūlyti pritaikytus sprendimus pagal jūsų poreikius.

Siųsti užklausą

X
Naudojame slapukus siekdami pasiūlyti geresnę naršymo patirtį, analizuoti svetainės srautą ir suasmeninti turinį. Naudodamiesi šia svetaine sutinkate su mūsų slapukų naudojimu. Privatumo politika